Электрический котел Protherm СКАТ 14КE
Электрический котел Protherm СКАТ 14.
Настенные электрические котлы СКАT 14, производимые под маркой Protherm с 1992 года, предназначены для установки в квартирах, жилых домах и дачных домиках. Котлы относятся к отопительным приборам повышенной комфортности, отличаются удобством в использовании и обслуживании. Котлы не требуют подключения к дымоходу и газопроводу. Важно ! Электрический котел Protherm СКАТ 14K может работать только от сети с напряжением ~380В,. Данный тип котлов относится к серии «одноконтурных», т.е. для приготовления горячей воды ГВС, Вам понадобится бойлер косвенного нагрева и комплект его подключения к котлу.
Электрический котел Протерм СКАТ 14 — описание и применение.
В большинстве случаев для отопления домов используется отопительное оборудование которое сжигает либо газ (например, газовые котлы), либо жидкое топливо (например, мазут или солярку), либо твердое топливо (дрова, уголь и т.д.). Но иногда, для отопления, использование выше перечисленного топлива может быть невозможным по ряду причин. В этом случае неоспоримой альтернативой могут являются электрические котлы. А электрические котлы Protherm СКАТ 14 это не только альтернатива традиционным видам топлива, но и:
- в первую очередь, высокий КПД (к слову будет сказано, КПД у электрических котлов достигает почти 99,5 %, что на 10% выше чем КПД, например, газовых котлов)
- экологичность
- точность регулирования температуры
- бесшумная работа
- легкость монтажа
Котлы электрические Protherm СКАТ 14 K — особенности и преимущества.
Электрокотел СКАТ является собственной разработкой компании Protherm и, как уже было отмечено ранее, имеет очень высокий (99,5% ) КПД, что значительно снижает стоимость затрат на отопление. Кроме этого, электрокотел Скат прост в монтаже, не требует специальных навыков для обслуживания и не нуждается в специальном помещении для установки.
В арсенале Протерм Скат все необходимые функции:
- КПД 99.5% (больше чем у газовых котлов на 10%)
- Интегрированная возможность подключения бойлера косвенного нагрева
- Наличие встроенного расширительного бака 7л
- Плавная покиловатная модуляция мощности (такой функции нет ни у одного производителя)
- Возможность каскадного подключения
- Наличие встроенного насоса
- Подключение модели 14 кВт может быть только 3-х фазным 380В
- Мощность котла регулируется группой тэнов, в зависимости от надобности системы отопления с задержкой 7-11 секунд для предотвращения резких колебаний в сети
- В случае выключения подачи электроэнергии котел автоматически отключится и при возобновлении подачи электроэнергии произведет запуск, сохранив ранее выставленные настройки
- Аварийное выключение – срабатывает от датчика перегрева при превышении температуры теплоносителя свыше 100 градусов
- Автоматическая задержка выключения включения тенов исходя из нужной мощности
- Наличие датчика температуры
- Аварийный датчик давления дает команду котлу отключиться при снижении давления воды в системе отопления меньше 0,8 Бар
- 5 ступеней защиты по напряжению (перепады напряжения, отсутствие одной фазы, высокое напряжения, низкое напряжение, порыв кабеля, короткое замыкание, зануление, отсутствие заземления и т.д.)
- Автоматика элеткрокотла Протерм Скат 14K
- Управление котлом по заданной температуре пользователя
- Электронная модуляция с шагом установки 1Квт
- При установке бойлера косвенного нагрева осуществляется управление трехходовым клапаном по термостату бойлера
- Задержка отключения встроенного насоса после прекращения работы котла при контроле комнатного регулятора температуры или комнатного программатора
- Управление котлом по командам уличного датчика температуры или комнатного термостата
Электрические котлы Protherm Скат 14 К — технические характеристики.
| Максимальная тепловая мощность | кВт | 14 | |
| Регулировка мощности | кВт | 1-14 | |
| Площадь отопления, рекомендуемая до | м2 | 110 | |
| КПД | % | 99,5 | |
| Присоединительные размеры: | |||
| Сечение провода (массивная проволока) | Ø мм2 | 2,5 | |
| ГВС (вода) | Ø | в выносном баке | |
| Отопление (подающая и обратная линия) | Ø | 3/4″ | |
| Потребляемый ток, макс. | А | 23 | |
| Производительность ГВС (ΔТ=30°С) | л/мин | в выносном баке | |
| Объем расширительного бака | л | 7 | |
| Габаритные размеры (ВхШхГ) | мм | 740/410/310 | |
| Гарантия производителя | 2 года с даты пуска | ||
К котлу можно подключать дополнительные устройства:
- Бойлер косвенного нагрева
- Термостат бойлера
- Трехходовой кран (желательно фирменный «аква-комплект» протерм)
- Недельный регулятор, суточный программатор или комнатный термостат
- Устройство ночного тарифа. (При установке счётчика ночного тарифа электроэнергии, и буферной ёмкости для подогрева горячей воды, расходы на уплату электроэнергии можно значительно снизить до 50%.)
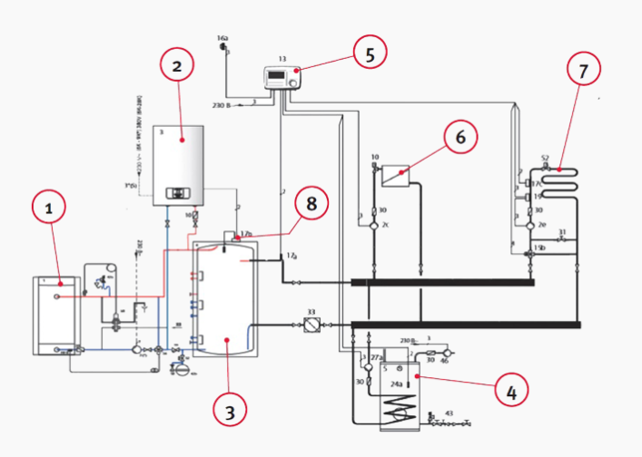
Схема подключения электрического котла Protherm СКАТ 14 к системе отопления и ГВС.
Электрический котел Protherm СКАТ 14 RAY это одноконтурный котел и полностью укомплектован всем необходимым для монтажа и работы в современных системах отопления. Если все таки, Вам необходимо не только отопление но и приготовление горячей воды, то для подключения бойлера косвенного нагрева Вам необходимо дополнительно приобрести комплект трехходового клапана и термодатчика температуры бойлера. Схема простого монтажа приведена на картинке ниже.

Если электрический котел нужно установить совместно с твердотопливным и использовать как резервный источник тепла то применяется следующая схема монтажа :

|
Тип
|
Одноконтурный |
|
Мощность, кВт
|
14 |
|
Автодиагностика
|
|
|
Защита от перегрева
|
|
|
Материал теплообменника
|
Сталь |
|
Воздушный регулятор
|
|
|
Площадь обогрева, м2
|
140 |
|
Защита от замерзания
|
|
|
Объем расширительного бака, л
|
7 |
|
Питание
|
380 B |
|
КПД, %
|
99,5 |
|
Подключение контура отопления, дюйм
|
3/4" |
|
Давление в контуре отопления, бар
|
3 |
|
Циркуляционный насос
|
|
|
Cервисные центры
|
ООО Азбука Тепла, Минск, пр. Дзержинского 118 пом. 869 |
|
Ступени мощности, кВт
|
2/3 |
|
Завод производитель
|
"PROTHERM PRODUCTION, s.r.o.", Jurkovicova 45, 909 01 Skalica, Словакия |
|
Размер (ВхШхГ)
|
740х410х315 |
|
Импортер
|
ООО Азбука Тепла, Минск, пр. Дзержинского 118 пом. 869 |
|
Гарантия, мес
|
24 |
|
Страна изготовитель
|
Словакия |
Пока нет комментариев