Электрический котел Protherm СКАТ 6КE
Электрический котел Protherm СКАТ 6К.
Настенные электрические котлы СКАT 6К, производимые под маркой Protherm с 1992 года, предназначены для установки в квартирах, жилых домах и дачных домиках. Электрический котел относятся к отопительным приборам повышенной комфортности, отличаются удобством в использовании и обслуживании. Котлы не требуют подключения к дымоходу и газопроводу. Важным Плюсом электро котлов Протерм Скат 6К в том, что они могут работать от сети напряжением как ~380В, так и ~220В. Данный тип котлов относится к серии «одноконтурных», т.е. для приготовления горячей воды ГВС, Вам понадобится бойлер косвенного нагрева и комплект его подключения к котлу.
Электрический котел Протерм СКАТ 6К — описание и применение.
В большинстве случаев для отопления дома используется отопительное оборудование которое сжигает либо газ (например, газовые котлы), либо жидкое топливо (например, мазут или солярку), либо твердое топливо (дрова, уголь и т.д.). Но иногда, для отопления, использование выше перечисленного топлива может быть невозможным по ряду причин. В этом случае неоспоримой альтернативой могут являются электрические котлы. А электрический котел Protherm СКАТ 6 это не только альтернатива традиционным видам топлива, но и:
- Высокий КПД . К слову будет сказано, КПД у электрических котлов достигает почти 99,5 %, что на 10% выше чем КПД, например, газовых котлов;
- Экологичность. Котлы используют чистую энергию и не выделяют вредных веществ в атмосферу;
- Точность регулирования температуры;
- Бесшумная работа за счет отсутствия турбин и газовой арматуры.
- Легкость монтажа и отсутствие необходимости в сертифицированном специалисте.
Котлы электрические Протерм СКАТ 6К — особенности и преимущества.
Электрические котлы СКАТ является собственной разработкой компании Protherm и, как уже было отмечено ранее, имеет очень высокий (99,5% ) КПД, что значительно снижает стоимость затрат на отопление. Кроме этого, электрокотел Скат прост в монтаже, не требует специальных навыков для обслуживания и не нуждается в специальном помещении для установки.
В арсенале котла Протерм Скат все необходимые функции:
- Интегрированная возможность подключения бойлера косвенного нагрева
- Наличие встроенного расширительного бака 7л
- Плавная покиловатная модуляция мощности (такой функции нет ни у одного производителя)
- Возможность каскадного подключения
- Наличие встроенного насоса
- Подключение модели Скат 6 может быть однофазным 220В, и 3-х фазным 380В
- Мощность котла регулируется группой тэнов, в зависимости от надобности системы отопления с задержкой 7-11 секунд для предотвращения резких колебаний в сети
- В случае выключения подачи электроэнергии котел автоматически отключится и при возобновлении подачи электроэнергии произведет запуск, сохранив ранее выставленные настройки
- Аварийное выключение – срабатывает от датчика перегрева при превышении температуры теплоносителя свыше 100 градусов
- Автоматическая задержка выключения включения тенов исходя из нужной мощности
- Наличие датчика температуры
- Аварийный датчик давления дает команду котлу отключиться при снижении давления воды в системе отопления меньше 0,8 Бар
- 5 ступеней защиты по напряжению (перепады напряжения, отсутствие одной фазы, высокое напряжения, низкое напряжение, порыв кабеля, короткое замыкание, зануление, отсутствие заземления и т.д.)
Возможности электрического котла Protherm Скат 6K.
- Управление котлом по заданной температуре пользователя
- Электронная модуляция с шагом установки 1Квт
- При установке бойлера косвенного нагрева осуществляется управление трехходовым клапаном по термостату бойлера
- Задержка отключения встроенного насоса после прекращения работы котла при контроле комнатного регулятора температуры или комнатного программатора
- Управление котлом по командам уличного датчика температуры или комнатного термостата
К котлу можно подключать дополнительные устройства:
- Бойлер косвенного нагрева
- Термостат бойлера
- Трехходовой кран (желательно фирменный «аква-комплект» протерм)
- Недельный регулятор, суточный программатор или комнатный термостат
- Устройство ночного тарифа. (При установке счётчика ночного тарифа электроэнергии, и буферной ёмкости для подогрева горячей воды, расходы на уплату электроэнергии можно значительно снизить до 50%.)
Электрический котел Protherm Скат 6К — технические характеристики.
| Максимальная тепловая мощность | кВт | 6 | |
| Регулировка мощности | кВт | 1-6 | |
| Площадь отопления, рекомендуемая до | м2 | 80 | |
| Температуры нагрева | град. | 25 — 85 °C | |
| КПД | % | 99,5 | |
| Присоединительные размеры: | |||
| Сечение провода (массивная проволока) | Ø мм2 | 2,5*1 или 1,5*3 | |
| ГВС (вода) | Ø | в выносном баке | |
| Отопление (подающая и обратная линия) | Ø | 3/4″ | |
| Потребляемый ток, макс. | А | 10 A | |
| Производительность ГВС (ΔТ=30°С) | л/мин | в выносном баке | |
| Объем расширительного бака | л | 7 | |
| Габаритные размеры (ВхШхГ) | мм | 740/410/310 | |
| Гарантия производителя | 2 года с даты пуска | ||
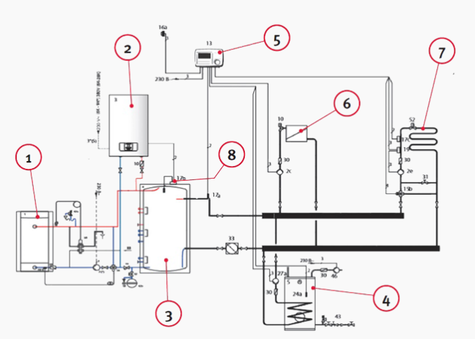
Основные схемы подключения электрического котла Protherm СКАТ RAY 6К.
Электрокотел Протерм Скат RAY 6К уже в заводской комплектации оснащен всем необходимым для простой установки в систему для отопления дома. Если Вы хотите помимо отопления получить еще и приготовление горячей воды при помощи электрического котла Скат то Вам понадобиться приобрести дополнительный комплект подключения бойлера. В этом случае схема подключения будет такой:

Если хотите использовать электрический котел Protherm в качестве запасного (резервного) элемента современной системы отопления с твердотопливным котлом то рекомендуемая схема обвязки выглядит так :

|
Тип
|
Одноконтурный |
|
Мощность, кВт
|
6 |
|
Автодиагностика
|
|
|
Защита от перегрева
|
|
|
Материал теплообменника
|
Сталь |
|
Воздушный регулятор
|
|
|
Площадь обогрева, м2
|
60 |
|
Защита от замерзания
|
|
|
Объем расширительного бака, л
|
7 |
|
Питание
|
220 В |
|
КПД, %
|
99,5 |
|
Подключение контура отопления, дюйм
|
3/4" |
|
Давление в контуре отопления, бар
|
3 |
|
Циркуляционный насос
|
|
|
Cервисные центры
|
ООО Азбука Тепла, Минск, пр. Дзержинского 118 пом. 869 |
|
Ступени мощности, кВт
|
1 |
|
Завод производитель
|
"PROTHERM PRODUCTION, s.r.o.", Jurkovicova 45, 909 01 Skalica, Словакия |
|
Размер (ВхШхГ)
|
740х410х315 |
|
Импортер
|
ООО Азбука Тепла, Минск, пр. Дзержинского 118 пом. 869 |
|
Гарантия, мес
|
24 |
|
Страна изготовитель
|
Словакия |
Пока нет комментариев